


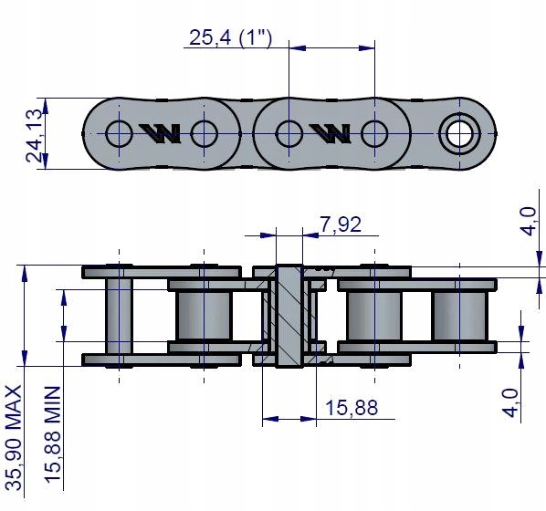
Łańcuch rolkowy, Galla jednorzędowy, napędowy, calowy. Typ ciężki.
Standard Amerykański ASME, ANSI "A" Wykonane według normy: ANSI B29.1, PN77/M-84168, DIN 8188, ISO R 606A.
Nawinięte na dogodne w użyciu szpule.
Łańcuch w odcinkach 5m, w zestawie ogniwo łączące.
Zwiększona odporność na ścieranie.
Hartowanie sprawia, że łańcuchy są mocniejsze i mają dłuższą żywotność. Proces ten odbywa się pod specjalnym nadzorem, dzięki czemu zapewnione są idealne paramenty pieca oraz cieczy chłodzącej.
Wytrzymałość na rozciąganie.
To zasługa pasowania sworzni z płytkami, z dokładnością do mikrona. Dzięki temu łańcuch działa sprawnie – ogniwa nie wybijają się oraz nie powstają luzy. Dokładne szlifowanie elementów walcowych łańcucha zabezpiecza go przed ugniataniem i ścieraniem się elementów walcowych.
Zwiększona odporność na zrywanie.
Wszystkie sworznie zakuwane z odpowiednią, powtarzalną siłą. Zbyt mocne zakucie może mieć wpływ na uszkodzenie innych elementów składowych łańcucha, zbyt słabe natomiast, może spowodować zerwanie łańcucha. Powtarzalna siła zakuwania, dzięki zautomatyzowanemu procesowi gwarantuje, że każde ogniwo łańcucha jest identyczne, perfekcyjne
Idealna współpraca z kołam.
Dokładne i powtarzalne odległości pomiędzy sworzniami powodują, że łańcuch idealnie układa się na kole, tym samym nie uszkadzając zębów koła.
Pamiętaj, aby stosować koła pewnych i sprawdzonych producentów
